VLS-GM2-AR0521-CB Highlights
Automotive Ready
Delivers data and power up to 15 meters away from the embedded system using a single wire COAX cable.
Rolling Shutter
Captures a high frame rate and low ambient noise image with a low-cost solution, suitable for static objects.
ISP
Color correction, Lens calibration, over-exposure management, and multiple functions are already taken care of with a built-in ISP.
Lens Adjustment
We provide lens calibration and correction adjustment.
Rugged and Reliable
Operates reliably in harsh industrial environments and conditions, such as strong vibrations, extreme temperatures and wet or dusty conditions.
Software Platform
Supports various platforms, programming languages and easy to build on TN-Vizion SDK series.
Waterproof
Protected from total dust ingress and long-term immersion up to a specified pressure.
Time to Market
With our pre-calibrated lens and integrated software, the camera can work directly and accelerate your time-to-market.
Specifications
| Camera Information | ||||||||||||||||||||
|---|---|---|---|---|---|---|---|---|---|---|---|---|---|---|---|---|---|---|---|---|
|
||||||||||||||||||||
| Interface | ||||||||||||||||||||
|
||||||||||||||||||||
| Power Specifications | ||||||||||||||||||||
|
||||||||||||||||||||
| Software Support | ||||||||||||||||||||
|
||||||||||||||||||||
| Environmental and Mechanical | ||||||||||||||||||||
|
||||||||||||||||||||
| Certification and Compliance | ||||||||||||||||||||
|
||||||||||||||||||||
| Commercial Information | ||||||||||||||||||||
|
||||||||||||||||||||
Block Diagram
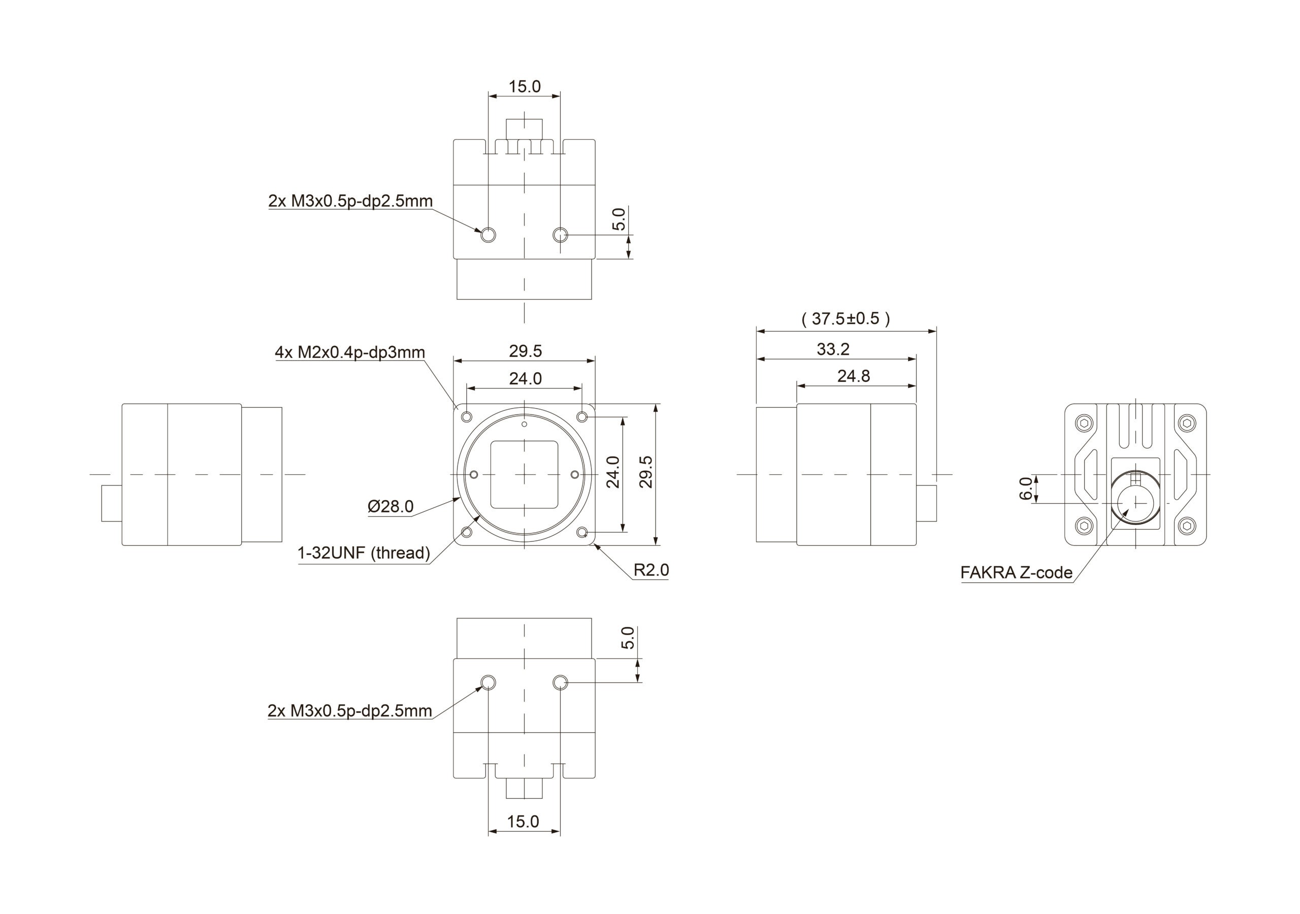
Dimensions
Spectral Characteristics
Part Numbers
Order Information Example:
VLS-GM2-AR0521-x-CB-xx
| Option | Code | Description |
|---|---|---|
| Chromaticity | C | Color |
| Filter | - | - |
| IR | IR Cut Filter 650nm |
For further customization or questions about orders, contact your TechNexion sales representative.

VLS-GM2-AR0521-C-CB-IR
GMSL2 Aluminium Enclosed Camera with onsemi AR0521 5MP Color Rolling Shutter with Onboard ISP + IR-Cut Filter with C Mount Body
VizionViewer™
VizionViewer™ is a companion tool and VizonSDK for adjusting embedded camera images. Specifically designed for, and provided for free with TechNexion cameras, VizionViewer™ allows control via both UVC and ISP via simple sliders. With built-in profile functionality, pre-configured settings can be easily moved to any embedded machine within minutes.
Custom Lens Solutions
Our C-mount cameras can be paired with a variety of off-the-shelf lenses. Customers are welcome to choose their own, or alternatively our engineers are on standby to assist with selecting the right camera lens for different applications. For more information. Please contact your TechNexion sales representative to start a discussion how we can help you.
Mount Bracket
An easy to attach A-Mount bracket for TechNexion 30mm enclosed cameras.
Documentation
Getting Started
Mechanical
Get a Quote
Fill out the details below and one of our representatives will contact you shortly.
